Hand Crank
Drag your finger across the table to scroll
| Model | SFM 20 10 |
|---|---|
| Series | Stack Frame |
| Weight (lb) | 62 |
| Hose ID (in) | 3/4 |
| Hose Length (ft) | 125 |
| Pressure (PSI) | 300 |
| Inlet (in) | 1/2 Female Thr |
| Hose Included | no |
| Max Temperature °F | 200 |
Stackable Frame Reels are manually-driven reels are for long lengths of hose, as in Agriculture, Power Wash, Pest Control and Construction. Hose can be dispensed and retracted with great ease and expedience compared to coiling by hand.
All reels shipped less hose unless requested on quote basis.
Mounting holes 1/2" dia.
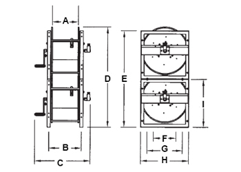
Pictured as two units. Each sold separately.

Drag your finger across the table to scroll
| A | 20 |
|---|---|
| B | 23 1/2 |
| C | 32 1/8 |
| D | 39 1/2 |
| E | 38 |
| F | 9 |
| G | 14 |
| H | 19 |
Please fill out the form below and your personal mdi product expert will email you your quote. The more information that you provide the quicker we can send you a quote. Sending an incomplete quote request could mean that we have to contact you for necessary information before sending your quote. And know that our knowledgeable sales staff is standing by to help you with your order and with any questions.
mdi does not advertise prices online. The cost of products is subject to change over time. In order to extend to you the best price that we can offer, we prefer to create written and emailed quotes which reflect any discounts or promotions currently available. Some products can be quoted over the phone, and expediting quotes and orders is always available per request.
See our Terms and Conditions for more information about the mdi sales process.
Call us any time Monday through Friday 7:30 AM to 7:00 PM ET.
Phone: (813) 241-4900 | Toll Free: 800-761-4298
Fax: (813) 571-0422 | Email or Fill Out the Form Above